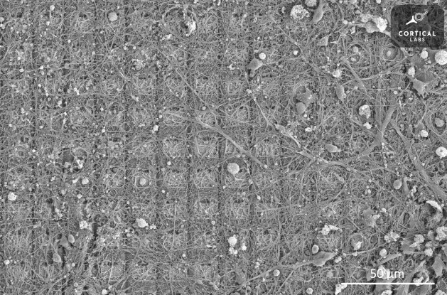
دانشمندان استرالیایی مدتهاست در حال توسعه پردازنده نیمه بیولوژیکی جدیدی با نام DishBrain هستند که بر خلاف پردازندههای معمولی از حدود 800 هزار سلول مغز انسان و موش تشکیل شده است. این پردازنده در عرض پنج دقیقه توانسته بازی Pong را یاد بگیرد و در اجرای آن مهارت پیدا کند. جزئیات بیشتر را در شهر سخت افزار بخوانید.
پردازندههای امروزی با استفاده از سیلیکون ساخته میشوند اما چه اتفاقی میافتد که به جای سیلیکون از سلولهای مغز استفاده کنیم. این ایده در ابتدا طرفداران چندانی نداشت اما انسان یا راهی خواهد یافت یا راهی خواهد ساخت.

پردازنده DishBrain، دستاورد حیرت انگیز دانشمندان
دانشمندان استرالیایی با کشت سلولهای مغز انسان و پیوند آنها به مغز موش موفق شدند یک پردازنده بیولوژیکی با نام DishBrain تولید کنند که میتوان بسیار قدرتمندتر از پردازندههای امروزی عمل کند.
مدیر پروژه DishBrain میگوید این پردازنده میتوان محاسبات بیولوژیکی را با هوش مصنوعی ترکیب کند و ممکن است در آینده قدرت بیشتری نسبت به پردازندههای سیلیکونی امروزی داشته باشد.
در ابتدای کار 800 هزار سلول مغز انسان و موش روی آرایهای از الکترودها کشت داده شد و پس از آن نوبت به روشن کردن این پردازنده رسید. سلولهای مغز با یک محرک الکتریکی متحرک تغذیه میشوند و همین امر به سلولهای مغز امکان میدهد که بتوانند کنترل فرآیندی را به دست بگیرند.

پس از آن نوبت به تست عملکرد این پردازنده در بازی Pong رسید و دانشمندان با استفاده از محرکهای الکتریکی، مکان توپ را برای سلولهای مغز مشخص کرده تا پردازنده DishBrain بتواند کنترل راکت را در دست بگیرد.
این نخستین بار است که این پردازنده مورد آزمایش قرار گرفته است. نتایج آزمایش شگفت انگیز بوده و سلولها در DishBrain توانایی درک دنیا را داشتند بلکه میتوانستند روی آن تأثیر بگذارند.
در همین رابطه بخوانید:
- دانشمندان برای اولین بار با موفقیت مغز انسان را به موش پیوند دادند
بهلطف DishBrain میتوانیم دستگاههایی خلق کنیم که بدون فراموشی تواناییهای قبلیشان، تواناییهای جدید یاد میگیرند؛ دستگاههایی که بهخوبی با تغییرات سازگار میشوند و دانش قدیمی را در موقعیتهای جدید ترسیم میکنند.
 
             
				











نظر خود را اضافه کنید.
برای ارسال نظر وارد شوید
ارسال نظر بدون عضویت در سایت